成都后花园1314论坛

你好英語,接代走出胡埭液壓機自動無敵我司!

保藏本站 | 罕見題目解答 | 網站輿圖 分享到新浪微博 分享到騰訊微博

product_banner

成都后花園1314論壇:胡埭液壓氣動產物分類

接洽胡埭液壓氣動

無錫胡埭液壓氣動無限公司
地點:無錫市胡埭鎮振胡路105-2號
接洽人:蘇炯 13814226453
德律風:0510-85599453
傳真:0510-85598310
郵箱:690591106@qq.com

首頁 ?

雙感化雙活塞桿氣缸系列

Loading...

雙感化雙活塞桿氣缸系列

    產物規格齊備,品德靠得住,價錢公道,專業出產液壓氣動元件及粉末冶金成品
    定貨服務電話:0510-85599453
    物質慨況
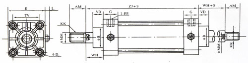
    裝置尺寸:
    缸徑 B MM AM KK VD EE WH G E TV D2 L2 ZJ
    40 36 16 24 M12 × 1.25 22 M14 × 1.5 G1/4 30 26 62 42 M6 10 105
    50 38 20 32 M16 × 1.5 23 M14 × 1.5 G1/4 37 28 70 50 M6 10 131
    63 42 20 32 M16 × 1.5 23 M14 × 1.5 G3/8 37 30 83 60 M8 12 142
    80 50 25 40 M20 × 1.5 25 M18 × 1.5 G3/8 45 32 100 72 M10 13 158
    100 51 25 40 M20 × 1.5 25 M14 × 1.5 G1/2 49 39 120 90 M10 13 175
    125 70 32 54 M27 × 2 30 M14 × 1.5 G1/2 63 44 148 112 M12 15 191
    裝置尺寸圖:

    針對于我們

      無錫胡埭液壓氣動無限公司位于風光娟秀的太湖之濱---胡埭,地輿地位優勝,交通非常便利。
      本公司是一家專業出產各類氣缸、水缸、液壓油缸、液壓泵站、氣源處置三聯件、交直流二用系列磁性開關(含磁環)及粉末冶金成品的企業。公司體系體例完整,辦文迷信,具有多臺大型裝備。公司所出產的產物,遠銷天下各地市場。公司具有的出產裝備,手藝氣力薄弱,工藝、檢測裝備齊備,售后辦事完美,一直以科技為先導,依托迷信的辦理和的運營理念,加以高品德和誠信的辦事,本品德不變靠得住.博得了客戶分歧的青昧。
      本公司遵守“品德良好,辦事至上”的主旨,盡力為用戶供給更多優良的產物和更完美的辦事,來知足泛博新老用戶的須要。咱們愿與同業業精誠協作,同時樸拙接待泛博客戶到臨指點,共創光輝!

    推銷 : 雙感化雙活塞桿氣缸系列
    * 表現必填
    * 接洽人: 請填表您的的確真實姓名
    * 手機號碼: 請填表您的約見德律風
    * 電子郵件:
    * 推銷動向描寫:
    請填寫開發客戶的產物數目和產物描寫,便利咱們停止同一備貨。

    跟此產物相干的產物

    帶開關、帶閥、組合氣缸系列 成都后花園1314論壇:帶開關、帶閥、組合氣缸系
    JB冶金裝備用氣缸系列 成都后花園1314論壇:JB冶金裝備用氣缸系列
    QGX輕型氣缸系列 QGX輕型氣缸系列
    縮短

    QQ在線客服

    • 在線征詢
    • 當即訂購
    點擊埋沒